推荐产品
联系95视频网站免费观看入口
深圳市95视频网站免费观看入口电子科技有限公司
电话:0755-23087599
手机:13808858392
邮箱:dunianhua@leweitech.com
地址:深圳市宝安区西乡鹤洲恒丰工业城B11栋5楼东
SDH8312 ac-dc非隔离芯片是用于开关电源的内置650V高压MOSFET的AC-DC控制器。
SDH8312内置高压启动以及自供电功能,可满足快速启动以及低待机功耗的要求。具有自适应降频功能,可进一步优化轻载条件下的转换效率。具有软启动功能,能够减小器件的应力,有效防止启动时电感饱和。SDH8312内部还集成了各种异常状态的保护功能,包括:VDD欠压保护,开环保护,输出过载保护,输出短路保护,过温保护等。触发保护后,电路会不断自动重启,直到系统正常工作为止。
SDH8312芯片主要特点
■ 输出电压可调
■ 高压启动
■ 自适应降频
■ 软启动
■ VDD欠压保护
■ FB开环保护
■ 前沿消隐
■ 输出过载保护
■ 短路保护
■ 过温保护
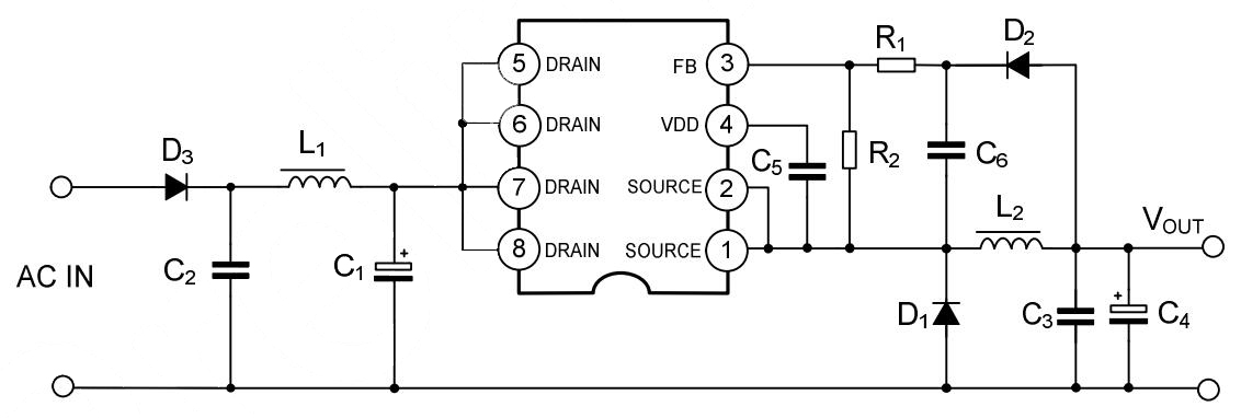
sdh8312引脚图及功能

| 管脚号 | 管脚名称 | I/O | 管脚描述 |
| 1,2 | SOURCE | G | 功率MOSFET源极和控制电路的参考地 |
| 3 | FB | I | 反馈脚,通过调整FB分压电阻设置不同的输出电压 |
| 4 | VDD | P | 控制电路电源 |
| 5,6,7,8 | DRAIN | O | 功率MOSFET漏极 |
sdh8312应用电路图

应用领域
■ 小家电
■ 非隔离铺助电源
sdh8312芯片采用SOP-8封装,典型应用功率5V0.2A,广泛应用于小家电、非隔离辅助电源领域,更多杭州士兰微sdh8312 5V0.2A ac-dc非隔离芯片产品手册和sdh8312引脚图及sdh8312应用电路图等资料请向士兰微代理95视频网站免费观看入口电子申请。>>
阿里巴巴店铺
关注95视频网站免费观看入口
收藏95视频网站免费观看入口









