推荐产品
联系95视频网站免费观看入口
深圳市95视频网站免费观看入口电子科技有限公司
电话:0755-23087599
手机:13808858392
邮箱:dunianhua@leweitech.com
地址:深圳市宝安区西乡鹤洲恒丰工业城B11栋5楼东
XPD767 A+C 65W协议芯片支持XPD-LINK™互联
所属分类:FM/富满系列
品牌:FM/富满
型号:XPD767系列
封装:TSSOP-20/QFN20
功率:65W
电流:5V,9V,12V,15V,20V
型号:XPD767系列
封装:TSSOP-20/QFN20
功率:65W
电流:5V,9V,12V,15V,20V
订购热线:0755-23087599
XPD767芯片已经通过了USB PD3.0认证,TID:3479。支持QC2.0/3.0/3.0+、AFC、FCP、SCP、HVSCP、PD和PPS等快充协议,内部集成 10mΩ VBUS 通路功率开关管,并且集成10mΩ电流检测电阻,支持完善的保护功能,节省外围元件数量,简化电路,降低成本。
XPD767 是一款集成 USB Type-C、USB Power Delivery(PD) 3.0/2.0 以及 PPS、QC3.0/2.0CLASS B 快充协议、华为 FCP/SCP 快充协议、三星 AFC 快充协议、BC1.2 DCP 以及苹果设备 2.4A 充电规范的多功能 USB 双端口控制器,为 AC-DC 适配器、移动电源、车载充电器等设备提供完整的 Type-C 和 Type-A 双端口充电解决方案。
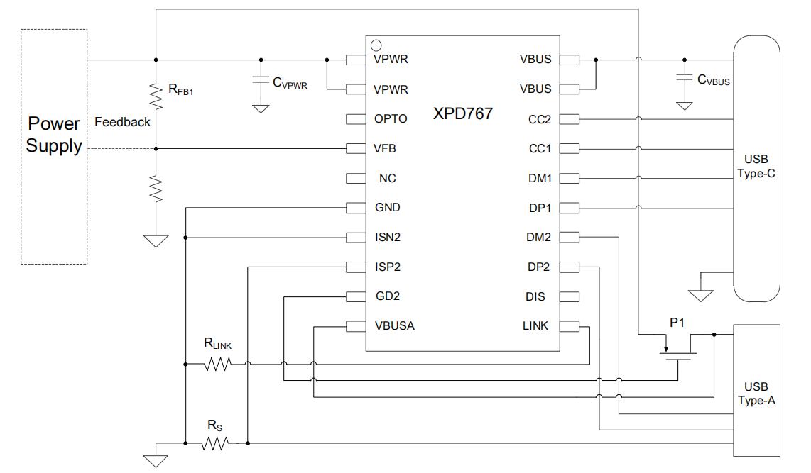
XPD767 特别的集成了 XPD-LINK™互联通信专利技术。通过 XPD-LINK™互联功能,XPD767 可以简单灵活的应用在多个 Type-C 和 Type-A 端口的充电方案中。
XPD767 内置的 TYPE-C 协议可以支持 TYPE-C 设备插入自动唤醒系统,智能识别插头的正插与反插,并实现连接。集成的 TYPE-C PD3.0 协议支持双向标记编码(BMC),集成硬件的物理层协议和协议引擎,无需软件参与编解码。
当 Type-C 和 Type-A 其中一个端口接入备时,Type-C 或 Type-A 端口都可以实现独立的快充功能。当 Type-C 和 Type-A 都接入设备时,XPD767 会将输出电压降至 5V 给设备供电。特别的,当 Type-A 口一直连接苹果充电线但未接入苹果手机时,Type-C 口仍然有快充功能。作为充电器应用时,充电线会经常与充电器连接在一起。XPD767 完美解决了 Type-A 和 Type-C 口连接充电线应用时的快充难题。此外,Type-A 口充饱关断电流阈值低至 10mA,可支持智能穿戴设备小电流充电。
XPD767 通过一路可 Sink/Source 的电流源,连接到 AC-DC 或 DC-DC 的反馈引脚实现动态调节电压的功能,不管是启动还是调压过程,都具备软启动/调压功能,实现电压平顺过渡。
XPD767 内建多种保护机制确保设备安全:包括动态过压/欠压/过流保护(可根据设备请求的工作电压/电流按照比例调整保护点);启动监测(VBUS 输出前会监测端口电压是否处于安全状态)。
XPD767 集成 10mΩ VBUS 通路功率开关管和内部放电通路,节省了外围器件,在发生错误时可以快速关闭输出并恢复到安全状态。
XPD767 采用 TSSOP-20 和 QFN4x4-20 封装。应用中外围电路非常简洁,可以轻松通过 USB PD 认证测试。
XPD767芯片特性
■ 通过 USB PD3.0 认证(TID:3479)
■ 支持 XPD-LINKTM多芯片互联通信技术
■ 支持 USB Type-C 协议
■ 支持 USB Power Delivery(PD)3.0 以及PPS 协议
- PDO 可配置:5V,9V,12V,15V,20V
- 输出功率高至 65W
- APDO 可配置:5V Prog,9V Prog,15VProg,20V Prog
■ 支持 Quick Charge 2.0/3.0/3.0+协议
- 支持小米 CHARGE TURBO 27W 协议
■ 支持华为 FCP/SCP/HVSCP 协议
- 支持华为 10V 高压 SCP 协议
■ 支持三星 AFC 协议
■ 支持 USB BC1.2 DCP
■ 支持 Apple 2.4A 充电规范
■ 集成恒压(CV)补偿环路
■ 集成 10mΩ VBUS 通路功率开关管
■ 集成 10mΩ电流检测电阻
■ 内置 VPWR 和 VBUS 双放电通路
■ 支持线损补偿功能
■ 支持 USB Type-A 和 Type-C 双口工作模式
-独立工作都有快充,同时工作回 5V
- A 口连接苹果充电线但未接入苹果手机时,C 口仍然有快充
■ A 口充饱关断电流阈值 10mA,小电流充电
■ 安全性
- A 口采用电源端控制避免短路引发漏电
- 过压/欠压保护
- 过流保护
- 过温保护
■ CC1/CC2/DP1/DM1/DP2/DM2 过压保护
■ ESD 特性±4KV
■ Package:TSSOP-20 和 QFN20
典型应用电路图

应用领域
■ AC-DC 适配器
■ 带 USB 端口排插
■ USB 多口充电设备
XPD767系列订购信息
| 料号 | USB Type-C 端口 PDO 和 APDO 配置 | QC 配置 | 包装 |
| XPD767B18 |
高功率 PDO:5V/3A, 9V/2A, 12V/1.5A 低功率 PDO:5V/3A |
Class A |
TSSOP-20 2.5K/盘 |
|
XPD767BP18 |
高功率 PDO:5V/3A, 9V/2A, 12V/1.5A 高功率 APDO1:3.3-5.9V/3A 高功率 APDO2:3.3-11V/1.65A 低功率 PDO:5V/3A |
Class A |
|
| XPD767A |
高功率 PDO:5V/3A, 9V/2.22A 低功率 PDO:5V/3A |
Class A |
|
| XPD767B |
高功率 PDO:5V/3A, 9V/2.22A, 12V/1.67A 低功率 PDO:5V/3A |
Class A |
|
| XPD767D30A |
高功率 PDO:5V/3A,9V/3A,12V/2.5A,15V/2A,20V/1.5A 低功率 PDO:5V/3A |
Class B |
|
| XPD767D30 |
高功率 PDO:5V/3A,9V/3A,12V/2.5A,15V/2A,20V/1.5A 低功率 PDO:5V/3A, 9V/1.75A |
Class A |
|
|
XPD767DP30 |
高功率 PDO:5V/3A,9V/3A,12V/2.5A,15V/2A,20V/1.5A 高功率 APDO1:3.3-11V/3A 高功率 APDO2:3.3-16V/2A 低功率 PDO:5V/3A, 9V/1.75A |
Class A |
|
| XPD767D45 |
高功率 PDO:5V/3A,9V/3A,12V/3A,15V/3A,20V/2.25A 低功率 PDO:5V/3A, 9V/2.5A, 12V/2A, 15V/1.5A |
Class A |
|
|
XPD767DP45 |
高功率 PDO:5V/3A,9V/3A,12V/3A,15V/3A,20V/2.25A 高功率 APDO1:3.3-11V/3A 高功率 APDO2:3.3-16V/2.8A 低功率 PDO:5V/3A, 9V/2.5A, 12V/2A, 15V/1.5A 低功率 APDO1:3.3-11V/2A 低功率 APDO2:3.3-16V/1.4A |
Class A |
|
| XPD767D60 |
高功率 PDO:5V/3A, 9V/3A, 12V/3A, 15V/3A, 20V/3A 低功率 PDO:5V/3A,9V/3A,12V/2.5A,15V/2A,20V/1.5A |
Class B | |
|
XPD767DP60 |
高功率 PDO:5V/3A, 9V/3A, 12V/3A, 15V/3A, 20V/3A 高功率 APDO1:3.3-16V/3A 高功率 APDO2:3.3-21V/2.85A 低功率 PDO:5V/3A,9V/3A,12V/2.5A,15V/2A,20V/1.5A 低功率 APDO1:3.3-16V/1.9A 低功率 APDO2:3.3-21V/1.4A |
Class B |
|
| XPD767D65 |
高功率 PDO:5V/3A,9V/3A,12V/3A,15V/3A,20V/3.25A 低功率 PDO:5V/3A,9V/3A,12V/2.5A,15V/2A,20V/1.5A |
Class B |
|
|
XPD767DP65 |
高功率 PDO:5V/3A,9V/3A,12V/3A,15V/3A,20V/3.25A 高功率 APDO1:3.3-16V/3.25A 高功率 APDO2:3.3-21V/3A 低功率 PDO:5V/3A,9V/3A,12V/2.5A,15V/2A,20V/1.5A 低功率 APDO1:3.3-16V/2A 低功率 APDO2:3.3-21V/1.5A |
Class B |
|
| XPD767D6545 |
高功率 PDO:5V/3A,9V/3A,12V/3A,15V/3A,20V/3.25A 低功率 PDO:5V/3A,9V/3A,12V/3A,15V/3A,20V/2.25A |
Class B | |
|
XPD767DP6545 |
高功率 PDO:5V/3A,9V/3A,12V/3A,15V/3A,20V/3.25A 高功率 APDO1:3.3-16V/3.25A 高功率 APDO2:3.3-21V/3A 低功率 PDO:5V/3A,9V/3A,12V/3A,15V/3A,20V/2.25A 低功率 APDO1:3.3-16V/2.8A 低功率 APDO2:3.3-21V/2.1A |
Class B |
|
| XPD767D6518 |
高功率 PDO:5V/3A,9V/3A,12V/3A,15V/3A,20V/3.25A 低功率 PDO:5V/3A,9V/2A,12V/1.5A |
Class A | |
| XPD767QXXXXX | 参考相应的 TSSOP20 封装 |
QFN20 4K/盘 |
XPD767 A+C 65W协议芯片采用TSSOP-20和QFN20封装,是支持 XPD-LINK™互联USB双端口控制器,XPD-LINK互联技术让芯片之间通过单线总线传输信息,从而可以简单灵活的组成多USB-C口和多USB-A口的充电方案,更多XPD767芯片系列规格书及相关应用资料请向95视频网站免费观看入口申请。>>
阿里巴巴店铺
关注95视频网站免费观看入口
收藏95视频网站免费观看入口










